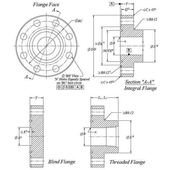
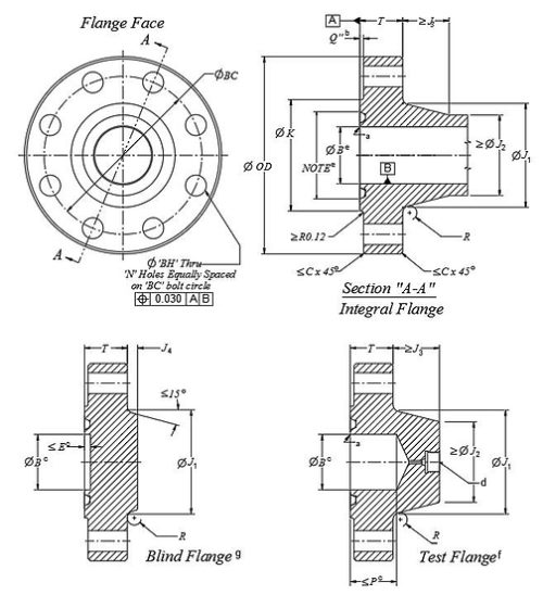
2,000 PSI – Type 6B API 6A – Table E.1

| Nominal size of Flange | Maximum Bore | Outside Diameter of Flange | Max. Chamfer | Diameter of Raised Face | Total Thickness of Flange | Basic Thickness of Flange | Diameter of Hub | Counter bore Depth |
| B | OD | C | K | T | Q | X | E | |
| 2 1/16 | 2.09 | 6.5 | 0.12 | 4.25 | 1.31 | 1 | 3.31 | 0.31 |
| 2 9/16 | 2.59 | 7.5 | 0.12 | 5 | 1.44 | 1.12 | 3.94 | 0.31 |
| 3 1/8 | 3.22 | 8.25 | 0.12 | 5.75 | 1.56 | 1.25 | 4.62 | 0.31 |
| 4 1/16 | 4.28 | 10.75 | 0.12 | 6.88 | 1.81 | 1.5 | 6 | 0.31 |
| 5 1/8 | 5.16 | 13 | 0.12 | 8.25 | 2.06 | 1.75 | 7.44 | 0.31 |
| 7 1/16 | 7.16 | 14 | 0.25 | 9.5 | 2.19 | 1.88 | 8.75 | 0.31 |
| 9 | 9.03 | 16.5 | 0.25 | 11.88 | 2.5 | 2.19 | 10.75 | 0.31 |
| 11 | 11.03 | 20 | 0.25 | 14 | 2.81 | 2.5 | 13.5 | 0.31 |
| 13 5/8 | 13.66 | 22 | 0.25 | 16.25 | 2.94 | 2.62 | 15.75 | 0.31 |
| 16 3/4 | 16.78 | 27 | 0.25 | 20 | 3.31 | 3 | 19.5 | 0.31 |
| 21 1/4 | 21.28 | 32 | 0.25 | 25 | 3.88 | 3.5 | 24 | 0.38 |
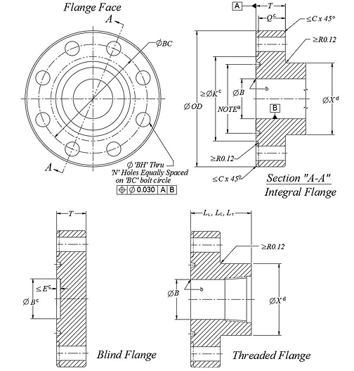
3,000 PSI – Type 6B API 6A – Table E.2

| Nominal size of Flange | Maximum Bore | Outside Diameter of Flange | Max. Chamfer | Diameter of Raised Face | Total Thickness of Flange | Basic Thickness of Flange | Diameter of Hub | Counter bore Depth |
| B | OD | C | K | T | Q | X | E | |
| 2 1/16 | 2.09 | 8.5 | 0.12 | 4.88 | 1.81 | 1.5 | 4.12 | 0.31 |
| 2 9/16 | 2.59 | 9.62 | 0.12 | 5.38 | 1.94 | 1.62 | 4.88 | 0.31 |
| 3 1/8 | 3.22 | 9.5 | 0.12 | 6.12 | 1.81 | 1.5 | 5 | 0.31 |
| 4 1/16 | 4.28 | 11.5 | 0.12 | 7.12 | 2.06 | 1.75 | 6.25 | 0.31 |
| 5 1/8 | 5.16 | 13.75 | 0.12 | 8.5 | 2.31 | 2 | 7.5 | 0.31 |
| 7 1/16 | 7.16 | 15 | 0.25 | 9.5 | 2.5 | 2.19 | 9.25 | 0.31 |
| 9 | 9.03 | 18.5 | 0.25 | 12.12 | 2.81 | 2.5 | 11.75 | 0.31 |
| 11 | 11.03 | 21.5 | 0.25 | 14.25 | 3.06 | 2.75 | 14.5 | 0.31 |
| 13 5/8 | 13.66 | 24 | 0.25 | 16.5 | 3.44 | 3.12 | 16.5 | 0.31 |
| 16 3/4 | 16.78 | 27.75 | 0.25 | 20.62 | 3.94 | 3.5 | 20 | 0.44 |
| 20 3/4 | 20.78 | 33.75 | 0.25 | 25.5 | 4.75 | 4.25 | 24.5 | 0.38 |
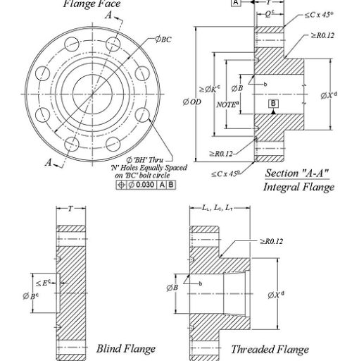
5,000 PSI – Type 6B API 6A – Table E.3

| Nominal size of Flange | Maximum Bore | Outside Diameter of Flange | Max. Chamfer | Diameter of Raised Face | Total Thickness of Flange | Basic Thickness of Flange | Diameter of Hub | Counter bore Depth |
| B | OD | C | K | T | Q | X | E | |
| 2 1/16 | 2.09 | 8.5 | 0.12 | 4.88 | 1.81 | 1.5 | 4.12 | 0.31 |
| 2 9/16 | 2.59 | 9.62 | 0.12 | 5.38 | 1.94 | 1.62 | 4.88 | 0.31 |
| 3 1/8 | 3.22 | 10.5 | 0.12 | 6.62 | 2.19 | 1.88 | 5.25 | 0.31 |
| 4 1/16 | 4.28 | 12.5 | 0.12 | 7.62 | 2.44 | 2.12 | 6.38 | 0.31 |
| 5 1/8 | 5.16 | 14.75 | 0.12 | 9 | 3.19 | 2.88 | 7.75 | 0.31 |
| 7 1/16 | 7.16 | 15.5 | 0.25 | 9.75 | 3.62 | 3.25 | 9 | 0.38 |
| 9 | 9.03 | 19 | 0.25 | 12.5 | 4.06 | 3.62 | 11.5 | 0.44 |
| 11 | 11.03 | 23 | 0.25 | 14.63 | 4.69 | 4.25 | 14.5 | 0.44 |
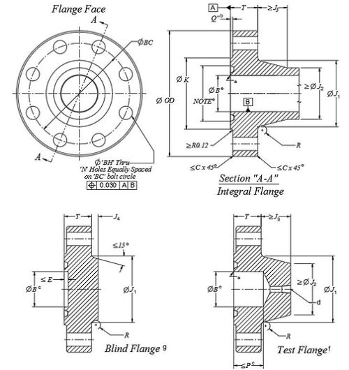
10,000 PSI – Type 6BX API 6A – Table E.4

| Nominal size of Flange | Maximum Bore | Outside Diameter of Flange | Max. Chamfer | Diameter of Raised Face | Total Thickness of Flange | Basic Thickness of Flange | Diameter of Hub | Counter bore Depth | Hub Height |
| B | OD | K | T | C | J1 | J2 | J3 | J4 | |
| 1 13/16 | 1.84 | 7.38 | 4.12 | 1.66 | 0.12 | 3.5 | 2.56 | 1.91 | – |
| 2 1/16 | 2.09 | 7.88 | 4.38 | 1.73 | 0.12 | 3.94 | 2.94 | 2.03 | – |
| 2 9/16 | 2.59 | 9.12 | 5.19 | 2.02 | 0.12 | 4.75 | 3.62 | 2.25 | – |
| 3 1/16 | 3.09 | 10.62 | 6 | 2.3 | 0.12 | 5.59 | 4.34 | 2.5 | – |
| 4 1/16 | 4.09 | 12.44 | 7.28 | 2.77 | 0.12 | 7.19 | 5.75 | 2.88 | – |
| 5 1/8 | 5.16 | 14.06 | 8.69 | 3.12 | 0.12 | 8.81 | 7.19 | 3.19 | 0.25 |
| 7 1/16 | 7.09 | 18.8 | 11.88 | 4.06 | 0.25 | 11.88 | 10 | 3.75 | 0.38 |
| 9 | 9.03 | 21.75 | 14.12 | 4.88 | 0.25 | 14.75 | 12.88 | 3.69 | 0.38 |
| 11 | 11.03 | 21.5 | 0.25 | 14.25 | 3.06 | 2.75 | 14.5 | 0.31 | – |
| 13 5/8 | 13.66 | 30.25 | 20.38 | 6.62 | 0.25 | 21.75 | 19.5 | 4.5 | 0.69 |
| 16 3/4 | 16.78 | 34.31 | 22.69 | 6.62 | 0.25 | 25.81 | 23.69 | 3 | 1.19 |
| 18 3/4 | 18.78 | 40.94 | 27.44 | 8.78 | 0.25 | 29.62 | 26.56 | 6.12 | 1 |
| 21 1/4 | 21.28 | 45 | 30.75 | 9.5 | 0.25 | 33.38 | 30 | 6.5 | 1.25 |
15,000 PSI – Type 6BX API 6A – Table E.5

| Nominal size of Flange | Maximum Bore | Outside Diameter of Flange | Diameter of Raised Face | Total Thickness of Flange | Max Chamfer | Large Hub Diameter | Small Hub Diameter | Hub Height | Test Flange C’bore Depth |
| B | OD | K | T | C | J1 | J2 | J3 | Ph | |
| 1 13/16 | 1.84 | 8.19 | 4.19 | 1.78 | 0.12 | 3.84 | 2.81 | 1.88 | 1.98 |
| 2 1/16 | 2.09 | 8.75 | 4.5 | 2 | 0.12 | 4.38 | 3.25 | 2.12 | 2.38 |
| 2 9/16 | 2.59 | 10 | 5.25 | 2.25 | 0.12 | 5.06 | 3.94 | 2.25 | 2.65 |
| 3 1/16 | 3.09 | 11.31 | 6.06 | 2.53 | 0.12 | 5.05 | 4.81 | 2.5 | 3.06 |
| 4 1/16 | 4.09 | 14.19 | 7.62 | 3.09 | 0.12 | 7.69 | 6.25 | 2.88 | 3.77 |
| 5 1/8 | 5.16 | 16.5 | 8.88 | 3.88 | 0.12 | 9.62 | 7.88 | 3.22 | 4.65 |
| 7 1/16 | 7.09 | 19.88 | 12 | 4.69 | 0.25 | 12.81 | 10.88 | 3.62 | – |
| 9 | 9.03 | 25.5 | 15 | 5.75 | 0.25 | 17 | 13.75 | 4.88 | – |
| 11 | 11.03 | 32 | 17.88 | 7.38 | 0.25 | 23 | 16.81 | 9.28 | – |
| 13 5/8 | 13.66 | 34.88 | 21.31 | 8.06 | 0.25 | 23 | 16.81 | 9.28 | – |
| 18 3/4 | 18.78 | 45.75 | 28.44 | 10.06 | 0.25 | 32 | 28.75 | 6.12 | – |
Ready to get started?
Our team is ready to deliver a custom quote that meets your project’s specifications.